取扱製品
お風呂用品
介護用品
Webカタログ
製品関連動画
SNS
ブログ
Instagram
Twitter
会社概要
お問合せ
HOME
取扱製品
その他
外釜スライド板φ60
取扱製品
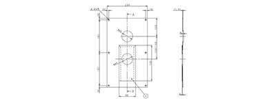
外釜スライド板φ60
図面ダウンロードする(PDFファイル)
●材質:SUS430
●穴はピッチ100~150で自由にスライドします。
●外壁の貫通部をカバーします。
品番
サイズ
入数
H63-60
φ60
20枚